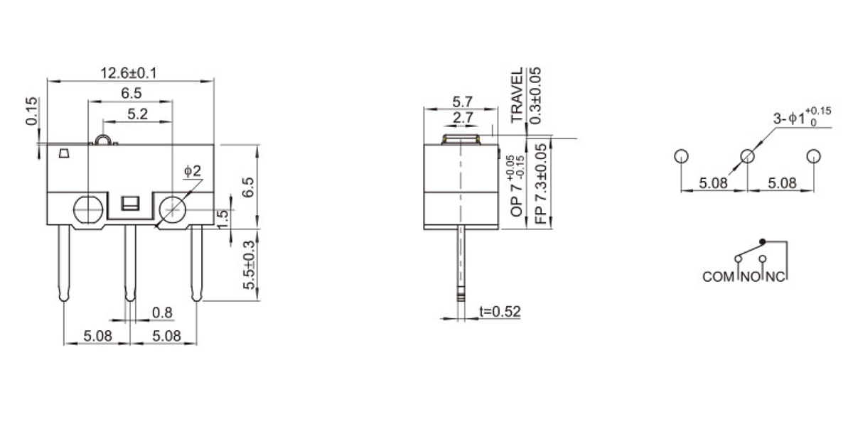
KW004
(1) 额定电流、电压 (Rating):5(2)A 250VAC
(2) 使用温度 (Operating Temperature):0~125℃
(3) 接触电阻 (Contact Resistance):≤ 30mΩ
(4) 绝缘电阻 (Insulation Resistance):≥ 100MΩ(DC500V/min)
(5) 耐压 (Dielectric):≥ 1000VAC/5S
(6) 电器寿命 (Electric Life):≥ 50,000cycles
产品详情
相关产品
KW001
KW008
KW015
在线询价